
無功補償元器件

無功補償元器件
概述
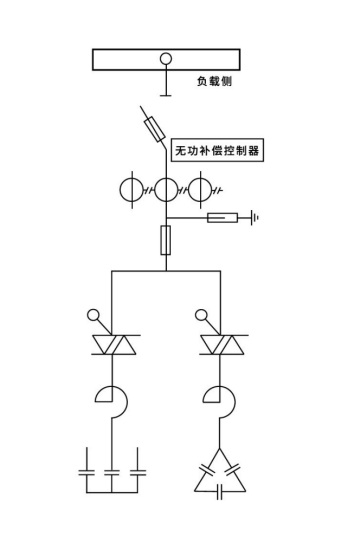
無功補償組件是由低壓電力電容器和濾波電抗器組成,轉為諧波污染配電系統的無功補償和濾波設計的。電力電容器氮氣填充,安全防爆;濾波電抗器純銅繞組,功耗低,可靠性高。
主要特點
| 濾波電抗器及高性能補償電容器的組合套件 | 損耗低 |
| 抗諧波能力強 | 低噪音 |
| 線性度高,避免飽和 | 安裝方便 |
| 溫度保護 (常閉溫度觸點) | 使用壽命長 |
| 電抗器系數包含:7%、14% | 安全防爆 |
技術參數
電力電容器的電氣指標要求:
額定電壓: 480V
頻率:50HZ/60HZ
最大允許運行電壓:1.0~1.3Un
最大允許運行電流:1.3~2In
最大瞬間涌流:400ln
運行損耗:<0.2W/Kvar
測試電壓:(端子-端子)2.15 x Un,2秒
測試電壓:(端子-外殼)≤660V:3000V.10秒;>660v:6000V.10秒
平均壽命:≥160000h
環境溫度耐受能力:-50℃/ +70℃;
最大外殼溫度:85℃
防護等級:IP20
相對濕度:95%
海拔:≤4000m
冷卻方式:自然風冷
電力電抗器的電氣指標要求:
工作電壓:230V~690V
額定頻率:50HZ/60HZ
絕緣等級:Class H(180℃)
耐壓等級:AC4000V/1min
溫升:45K
溫度保護:+120℃過熱斷開
最大電流允許值:2In
電感誤差:±3%
線性度:1.8倍額定電流下,L>0.97
電抗率:7%,14%
澆注方式:真空浸漬H級
防護等級:IP00
運行溫度:-20℃~65℃
海拔:≤4000m
冷卻方式:自然風冷
產品尺寸

型號介紹

Data download
文檔名稱
文檔大小
下載次數
下載
1.86MB
Online consultation
文件上傳
*安全驗證
Related News

電話:400-803-3226
商務:15926374356
技術支持:15618019386
時間:9:00-19:00
地址:江蘇省常州市新北區高新科技園創新科技樓北區A座206

電話:400-803-3226
商務:15926374356
技術支持:15618019386
時間:9:00-19:00
地址:江蘇省常州市新北區高新科技園創新科技樓北區A座206
